Инфраструктура Технопарка «Юг-Мет»

Технопарк «Юг-Мет» – современная площадка на юге России, создающая благоприятную среду для развития промышленного потенциала и бизнеса.
Удобный сервис
Управляющая компания "ЮМН Групп" берёт на себя все расходы по поддержанию комфортных условий для наших резидентов:
— освещение территорий общего пользования;
— охрана закрытого периметра и осуществление пропускного режима;
— комплексное обслуживание сетей электро- газо- и водоснабжения;
— взвешивание грузов.

С нами вы действительно экономите. Развивайте своё производство, а все обслуживающие функции мы возьмём на себя.
Развитая инфраструктура
Доступная электроэнергия
2 703
КВт
Электроснабжение обеспечено собственными подстанциями с резервом мощности для подключения новых резидентов.
Доступная мощность по газу
2009,8
м3/час
Газоснабжение площадки осуществляется по газопроводам среднего давления первой категории. Для резидентов есть возможность подключения среднего и низкого давления.
Водоснабжение
75
м3/сут.
Система водоснабжения технопарка обеспечивает производство питьевой и технической воды для собственных нужд. Водоотведение
технологическое - 0.81 куб.м/сут, хоз.бытовое - 1.43 куб.м./сут.
Центр пользования промышленным оборудованием
В Технопарке "Юг-Мет" создан центр коллективного пользования опытно-промышленным оборудованием, доступный для всех резидентов. Здесь вы найдете всё необходимое для реализации своих проектов:

  • Токарные станки – для высокоточной обработки деталей.
  • Сверлильные станки – для выполнения различных сверлильных операций.
  • Пескоструйное оборудование – для очистки и подготовки поверхностей.

И это далеко не все! Наш центр позволяет выполнять работы любой сложности с высоким качеством и точностью.
Приглашаем резидентов поработать в нашем центре в будние дни с 9:00 до 17:00.

Технопарк "Юг-Мет" создает все условия для развития и поддержки инновационных проектов, предоставляя доступ к необходимым технологиям и оборудованию.
Лаборатория
Технопарк располагает собственной современной и высокотехнологичной лабораторией, оснащенной всем необходимым оборудованием для проведения различных исследований и испытаний. В нашем арсенале:

  • Оптический эмиссионный спектрометр – для точного анализа элементного состава материалов.
  • Анализатор кислорода – для высокоточного измерения содержания кислорода в различных средах.
  • Машина для испытания проволоки на скручивание – для определения прочностных характеристик проволочных изделий.
  • Машина для испытания материалов на растяжение, сжатие и изгиб – для комплексного исследования механических свойств материалов.
  • Прибор для измерения электрического сопротивления с высокой точностью – для точных электрических измерений и анализа проводимости.

И это только малая часть нашего оборудования! Наша лаборатория предоставляет все условия для проведения научных исследований и инновационных разработок.
Приглашаем вас воспользоваться возможностями нашей лаборатории в будние дни с 9:00 до 17:00
Транспортная инфраструктура
В технопарке организованы проезды для различных видов транспорта, включая легковые автомобили, грузовики и спецтехнику. Помимо автомобильного движения, предусмотрены удобные пешеходные дорожки для безопасного перемещения.
Для облегчения логистических процессов в технопарке оборудованы 9 площадок для погрузки и разгрузки, что позволяет эффективно и быстро обслуживать транспортные потоки.

Схема организации движения транспорта и пешеходов:
1 Автостоянка
2 Проходной пункт (литер Д)
3 Административное здание (литер А)
4 Гараж (Производственное здание литер Б)
5 Производственное здание (литер К)
6 Производственное здание (литер В)
7 Производственное здание
8 Склад (Производственное здание литер Г)
9 Технологическая площадка
10 Здание склада
11 Весовая (литер Ж)
Cвой open-space
Наш технопарк предлагает вам возможность арендовать места в современном оборудованном open-space офисе. Просторный и светлый офис с хорошей инфраструктурой и уютной атмосферой идеально подходит для продуктивной работы и креативных идей.

Что мы предлагаем:

  • Просторный и светлый open-space офис
  • Современное оборудование и инфраструктура
  • Удобные рабочие места
  • Высокоскоростной интернет
  • Зоны отдыха и переговорные комнаты
  • Время работы пн-пт с 8:30 до 18:00
Свободные площади
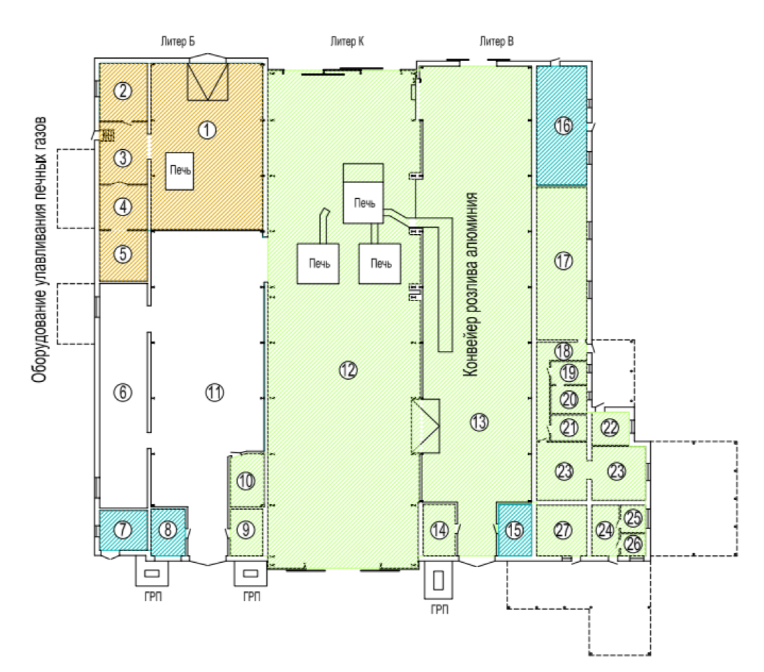
В технопарке предлагаются свободные площади для аренды:

  • кабинет в Административном здании Литер А на первом этаже площадью 31,1 м²,
  • производственное помещение 6 в Литере Б площадью 128,4 м²
  • производственное помещение 11 в Литере Б площадью 364,5 м²

Все помещения оснащены необходимыми коммуникациями и подходят для различных видов деятельности.

По вопросам аренды просим обращаться в отдел по работе с резидентами по телефону: +7 (86350) 5-32-67
Удобное географическое положение
Технопарк "Юг-Мет"
Федеральная трасса М-4
Северо-Кавказская ж/д
Аэропорт «Платов»
Газопровод «Южный поток»